
Aluminum tubes suitable for making pneumatic cylinders for drives. These tubes are extruded, in EN-AW6063T6 aluminum alloy, subsequently calibrated - broached by mechanical machining and finally anodized class 20 µm
NOTE: SPECIFIC TECHNICAL CHARACTERISTICS HIGH QUALITY PRODUCT After careful extrusion the profile is subjected to a special cold calibration process of the jacket (internal part)
Minimum mechanical characteristics:
Rm= Mpa 245 Rp0,2= Mpa 200 A5%=8 HBW=80
Anodizing:
- thickness of the oxide layer: class 20 µm +10/-4 (internal) +10/-8 (external)
- hardness of the oxide layer: 420 HV25 +130/-30
Internal diameter roughness:
-Ra radiale = 0,6 µm -Rmax radiale = 9 µm -Ra assiale = 0,4 µm -* Ra radiale = 0,8 µm -* Rmax radiale = 10 µm -* Ra assiale = 0,5 µm
Complete range of our aluminum profiles available on the website: www.omar-alluminio.it

Slot detail:
![]() |
|
![]() |
|
![]() |
|
![]() |
|
![]() |
|
![]() |
|
![]() |
|
TESTATE |
![]()
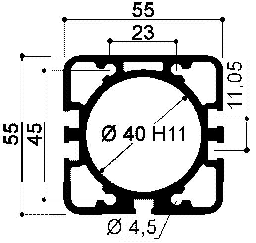
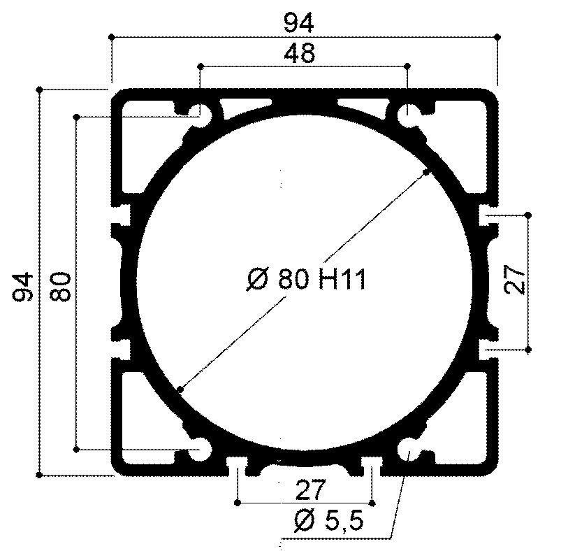
Profilo in alluminio per al realizzazione delle testate dei cilindri pneumatici tipo UNITOP / ISO 21287 |
![]() |
|
![]() |
|
![]() |
|
![]() |
|
![]() |
|
![]() |
|
![]() |





Pdf Catalog Skirting boards / Skirtings / Aluminum shells also for sterile environments
Omar srl: Milan-based company specializing in the supply and trade of extruded drawn aluminum profiles in bars, rods, raw or anodized; heat sinks for electronics; commercial extruded aluminum bars (angular, grooved, flat, tube, L), special and custom made. Furthermore, modular aluminum profiles for robotics, hydraulic distributors, pneumatics, actuators, profiles for stands, extruded profiles for shipyards, aluminum profiles for mechatronics, linear movements, aluminum extrusions for skirting boards / baseboards / covings, extrusions for printing blades , extrusions for photovoltaic / heating systems, aluminum extrusions for LED strips, polycarbonate covers for LED strips, aluminum profiles for illuminated signs, extrusions for electronic board containers for panel instruments, extruded aluminum profiles for street furniture, aluminum profiles aluminum for armored resistances / heaters and machining of aluminum profiles.