
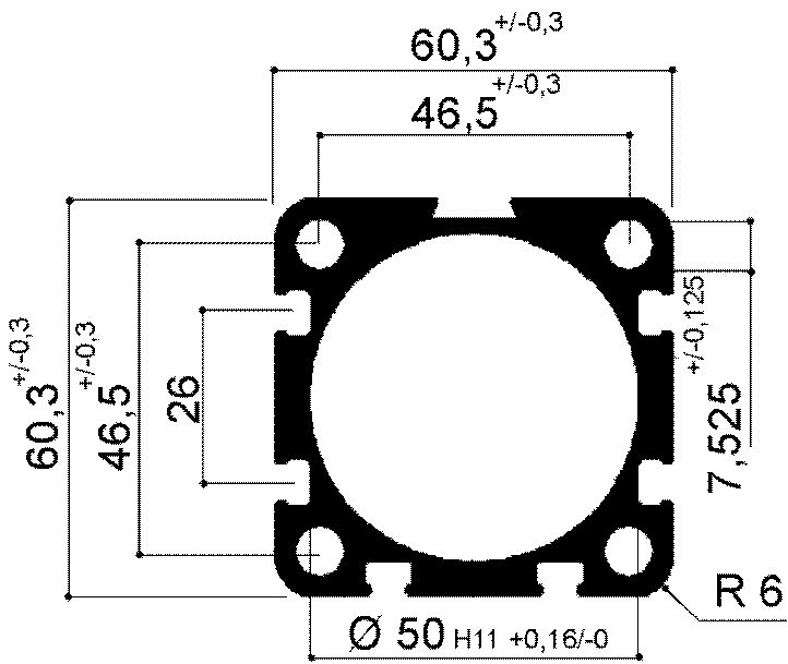
Aluminum tubes suitable for the production of pneumatic cylinders for drives. These tubes are extruded, in aluminum alloy EN-AW6063T6 subsequently calibrated - broached by mechanical processing and finally anodized class 20 µm
NOTE: SPECIAL TECHNICAL CHARACTERISTICS HIGH QUALITY PRODUCT after an
accurate extrusion the profile is subjected to a special cold calibration
process of the jacket (internal part)
Minimum mechanical characteristics:
Rm= Mpa 245 Rp0,2= Mpa 200 A5%=8 HBW=80
Anodization:
- oxide layer thickness: class 20 µm +10/-4 (internal) +10/-8 (external)
- oxide layer hardness: 420 HV25 +130/-30
Roughness of internal diameter:
Roughness of internal diameter: -Ra radial ≤ 0.6 µm -Rmax radial ≤ 9 µm -Ra
axial ≤ 0.4 µm
Full range of our aluminium profiles available on the website: www.omar-alluminio.it

Detail of the slots for fixing accessories:

From ø32 to ø100: fixing holes are prepared for metric
threading by rolling or for the use of self-tapping screws
ø125: fixing holes are prepared for metric threading by
traditional chip-removal tapping
![]() |
|
![]() |
|
![]() |
|
![]() |
|
![]() |
Omar srl: Company from Milan specialized in the supply and trade of extruded drawn aluminium profiles in bars, rods, raw or anodized; heat sinks for electronics; commercial extruded aluminium bars (corners, channels, plates, tubes, L-shaped), special and custom-designed. Furthermore, modular aluminum profiles for robotics, hydraulic distributors, pneumatics, actuators, profiles for stands, extruded profiles for shipyards, aluminum profiles for mechatronics, linear movements, aluminum extrusions for skirting boards / skirting boards / covings, extrusions for printing squeegees, extrusions for photovoltaic / heating systems, aluminum extrusions for LED strips, polycarbonate covers for LED strips, aluminum profiles for luminous signs, extrusions for electronic board containers for panel instruments, aluminum extrusions for street furniture, aluminum profiles for armored resistors / heaters and mechanical processing on aluminum profiles.